Description

SHIPPING/DELIVERY CHARGES
AMGO Equipment does not ship free, even if it shows ZERO freight charges during check out.
Please check with us first how much shipping will be, email sales@mytoolguy.com and mention :
the item #,
-the shipping ZIP code and
-if it is residential or commercial delivery.
Equipment to unload will be required, or we can ship to a freight termilnal where you can pick up with a trailer.
If you are near one of the AMGO warehouse, you can pick up from there and avoid the freight charges.
AMGO LOCATIONS:
- Temecula, CA
- Kalamazoo, MI
- Manning, SC
- Dallas, TX

AMGO PRO-40
The PRO-40 is at the forefront of the AMGO super duty series with an impressive 40,000lbs capacity, making it unequivocally one of the top choices for exceedingly heavy vehicles. convenient, comfortable and safe, it stands as your ultimate partner for maintaining large vehicles.

Description
Features
• 40,000 lbs capacity
• Air-released safety lock for convenient operation and reliability
• Mechanical self-lock and cable-breaking protection
• 3/4″ aircraft quality cable
• Skid proof diamond platform
• Hydraulic cylinders are designed and made to high quality standards
• Strict quality control of cylinders with flow restrictor for a stable and smooth operational speed
• Optional Rolling Jacks:
– RJ-20A 20,000lbs pneumatic pump

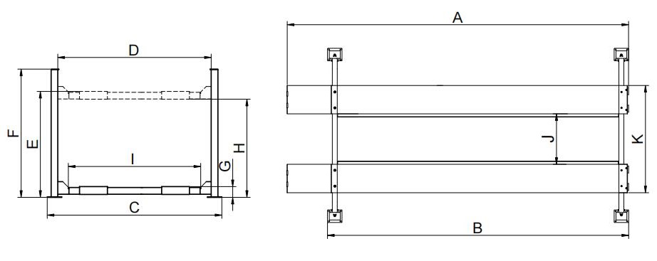
| Model |
PRO-40 |
| Lifting Time |
176s |
| A: Overall Length (Inc. Ramps) |
366 1/8″ (9300mm) |
| B: Overall Length (No. Ramps) |
315 1/2″ (8014mm) |
| C: Overall Width |
161 3/8″ (4100mm) |
| D: Width Between Columns |
143 7/8″ (3654mm) |
| E: Max. Lifting Height |
74 3/4″ (1900mm) |
| F: Overall Height |
91 7/8″ (2332mm) |
| G: Minimum Height |
10 5/8″ (270mm) |
| H: Max. Underneath Height |
65 7/8″ (1674mm) |
| I: Drive-Thru Clearance |
129 7/8″ (3298mm) |
| J: Width Between Runways |
58 7/8″ (1496mm) |
| K: Outside Edge of Runways |
114 7/8″ (2916mm) |
| Gross Weight |
8,320 lbs (3,774 kg) |
| Motor |
2.0HP, 220V/60Hz Single Phase
|
Features
• 40,000 lbs capacity.
• AMGO ETL certified power unit comes as standard.
• Mechanical self-locking safety device with air-driven lock release.
• Both primary multiple safety locks and cable-slack protection system are equipped as standard.
• Cable-driven, utilizing aircraft standard high quality cables.
• Hydraulic cylinder is designed and made to high standard, utilizing high quality oil seals and compensation valve.
• Non-skid diamond platforms.



-Optional led lights:No. 40103;
-Optional extension kits:No. 43001
-Optional air line kits: No. 40106


Optional RJ-20A Jacks
View AllClose
Warranty Information
https://www.amgohyd.com/warranty-return-policy/
AMGO Hydraulic Corporation Warranty Terms and Conditions: Any items received that fall into the warranty category, (inoperable, or manufacturer's defect) should be handled under manufacturer's written warranty conditions. Customer should call AMGO Hydraulic Corporation to have us troubleshoot problem by phone first. Warranty conditions will be provided with all shipments. We will happily assist customers with any warranty service.
AMGO Hydraulic Corporation offers one of the best warranties in the business with warranties as follows: 1.Steel Structure Components (including columns, carriages, lifting arms, top beam, floor cover, platform, cross beam, car drive-in ramp, scissor, base plate, etc.) Warranty for Five(5) Years. 2.Hydraulic Parts (including cylinders, oil seal, oil hose, fitting etc.) Warranty for Three(3) Years. 3.Other Parts(not including consumption parts such as rubber pads), electrical components, power unit have Warranty for Two(2) Years. Warranty coverage would be applicable to the 48 contiguous states. If outside the 48 contiguous states, please call AMGO Hydraulic Corporation. If warranty parts are needed, AMGO Hydraulic Corporation will send them out at our own cost at standard ground shipping rate. If customer needs parts more quickly, it will be the customer's responsibility to pay for expedited shipping charges. AMGO Hydraulic Corporation will not compensate customers for down time when their equipment is out of service. AMGO Hydraulic Corporation will not compensate customers for time lost if freight is not delivered on the date or time estimated by the freight company.
It is the customer's responsibility to inspect shipment at time of delivery and refuse shipment if damaged. You have the right to inspect package regardless of what the truck driver says. If item appears to not be damaged, but looks as if there is a possibility of damage, customer should make a note of it on the acceptance slip when signing for shipment. If an item has been damaged during shipment and customer has already accepted / received shipment, it is customer's responsibility to file a claim with the shipping company. Customer must notify freight carrier and AMGO Hydraulic Corporation within 48 hours of any hidden freight damage. Customer must open all packages within 48 hours of receiving and inventory equipment to verify product was received complete and notify us within 48 hours if there are any problems or missing parts.
We incur many costs when processing and shipping orders. If the order is cancelled before the item has shipped, but after payment has been processed, we will credit customer minus a 3% merchant processing fee. This is a fee that merchant accounts charge on every transaction and is non-refundable. Customers will be charged for shipping costs for any orders that are canceled after item has already shipped, but not yet received by customer. They may also be responsible for a restocking fee.
Delivery: Occasionally, an order will leave our facility but is not able to be delivered to the customer by the requested shipping carrier. Please note that shipping accuracy is solely your responsibility. The delivery address must be accurate, and suitable for receiving packages from the carrier. In the event that a package is returned to us by the shipping carrier, re-shipment will proceed at your expense.
AMGO Hydraulic Corporation makes no guarantee that ordered items will arrive by a certain time or date. Any quote regarding delivery date or time frame is merely an estimate. If you absolutely must have product within a certain time frame, you must notify AMGO Hydraulic Corporation at time of order. Most items can be expected anywhere between 2-7 days, but could take up to 21 days, depending on various factors. AMGO Hydraulic Corporation is not responsible for any additional fees customer may incur for rental of equipment for purposes of unloading or other purposes related to receiving product. AMGO Hydraulic Corporation is not responsible if freight company provides customer with a delivery date, and unforeseen circumstances delay shipment further. Once again, any delivery date, provided either by AMGO Hydraulic Corporation or the freight carrier is merely an estimate, not a guarantee of a delivery date. Any number of various shippers may be used to deliver product to destination, depending on the item being shipped, quantity, time and destination. Some larger items will need a loading dock or some other special means to remove item from delivery vehicle. Customers are responsible to provide for these means.
Again, customer is responsible for unloading heavy truck freight shipments from delivery truck, unless other arrangements have been made (ie: liftgate delivery). Additional charges will apply for a liftgate delivery and/or residence delivery. Some items are too large for a liftgate. Customer is also responsible for installation of products, unless otherwise agreed to. Customer must follow the AMGO Hydraulic Corporation installation specifications and instructions for installation and operation exactly or warranty may be eliminated. If freight company attempts delivery and nobody is present to receive shipment, causing a subsequent re-delivery attempt, customer will be responsible for paying a re-delivery fee. Additional charges would also be required if customer needs to re-direct shipment to a different delivery address after order has already shipped. Customer may also be responsible for storage fees if freight carrier must hold product due to customer being unable to receive product for periods of two days or more.
Installation: Upon request, AMGO Hydraulic Corporation can provide you with the name of a local installer to install your automotive lift for you. We offer these as a reference and a convenience to our customers. These installers are independent, third party contractors, that you, the customer decide to hire or not. These installers are not agents, partners, nor are they employed by AMGO Hydraulic Corporation. AMGO Hydraulic Corporation disclaims any guarantee, warranty or promise, whether implied or expressed by the installer / contractor regarding their workmanship, fitness for a particular purpose, or the materials the independent contractor will use. We provide installer quotes for informational purposes only. Ultimately, it is your, (the customer's) decision on whether or not to hire them. We do not advise or recommend you use any particular contractor. Using these installers is the customer's choice, and means that the customer assumes all risk and AMGO Hydraulic Corporation assumes no liability whatsoever for any damages or loss. We will gladly obtain quotes from these installers / contractors on your behalf, merely as a convenience to you, if asked to do so.
Return: Our limited return policy allows you to return defective or incorrectly shipped merchandise. All returned merchandise requires a prior authorization from AMGO Hydraulics. Contact our customer service representatives first for shipping instructions and to obtain a return authorization number. Any unauthorized returns will be refused and will become the responsibility of the customer and credit will not be issued unless authorization to return merchandise has been received.
For all merchandise returned to AMGO Hydraulics for reasons other than defective or incorrectly shipped items, a 25% restocking fee and return shipping costs (transportation costs) will be deducted from the credit refund. Any and all returned items should be approved through AMGO Hydraulics' Customer Service. All returned items must be in their original box or crating and must include all packing material, manuals, and all accessories. At our discretion, an additional restocking fee may be charged if your product is opened or is not returned in its original condition, box, or is missing packing material, manuals, or any accessories. Damaged items will be repaired at the expense of the customer.
View AllClose